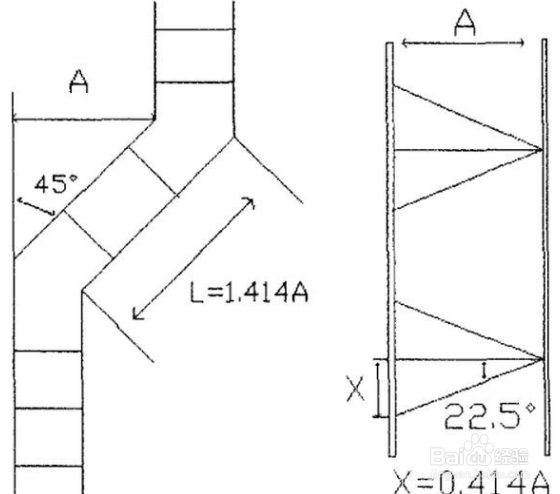
1、自制的电缆桥架弯头、跳弯、三通的连接处,应先在内侧进行点焊固定并打磨干净,外侧应平整,缝隙应尽量小且锯口处平整整齐。

2、电缆桥架弯头对接无错边,焊接后的对口处应打磨平整、光洁,不应有损伤电缆绝缘层的毛刺、锐边等棱角。

3、在托盘式电缆桥架内加钢筋时,采用增加Φ6-8MM圆钢,内、外侧都应补刷油漆。刷油漆前,应把药皮,焊渣清理干净。

4、多层电缆桥架的自制三通及弯头安装完成后,折角应在垂直的统一直线上。

1、自制的电缆桥架弯头、跳弯、三通的连接处,应先在内侧进行点焊固定并打磨干净,外侧应平整,缝隙应尽量小且锯口处平整整齐。

2、电缆桥架弯头对接无错边,焊接后的对口处应打磨平整、光洁,不应有损伤电缆绝缘层的毛刺、锐边等棱角。

3、在托盘式电缆桥架内加钢筋时,采用增加Φ6-8MM圆钢,内、外侧都应补刷油漆。刷油漆前,应把药皮,焊渣清理干净。

4、多层电缆桥架的自制三通及弯头安装完成后,折角应在垂直的统一直线上。
