1、须知一:安全须知
①如未按正确的方法操作本仪器,可能造成仪器损坏。
② 因未遵守以下安全警告操作仪器而引起的损伤,本公司概不承担责任。
2、须知二:遵循正确操作
① 为了防止触电或火灾情况发生,请使用本公司提供的电源线,电源插头必须接入带有保护接地的电源插座。
② 确保接入的电源电压与仪器额定电压保持一致,电源电压不能超过电源线的最大额定电压。
3、须知三:检查接地保护
① 连接之前检查本仪器内部和外部的保护接地端和保险丝等是否完好无损,若发现异常请勿使用本仪器,否则会有危险。
② 开机之前检查所有保护接地是否连接完好,再三确认后方可正常开机使用。 ③ 请勿直接用手接触连接电路,必要的时候请切断电源并戴好安全手套进行操作。
④ 非本公司维护人员,请勿拆卸机器外壳,防止内部高压触电危险。
4、须知四:安全环境确认
① 为保证操作者的人身安全,请勿在含有易燃易爆的气体或液体的环境中使用本仪器,否则会有危险。
② 为保证完成精确测量,请保证在合适的工作环境(温度:5°C ~40°C ; 湿度:20 %RH~ 80%RH)中使用本仪器。
1、须知一:连接之前的检查
安全进行电源连接之前,请仔细检查以下内容:
① 检查设备外部完好,无组装缺陷,如螺丝松动、掉落等现象;
② 检查随机配套的电源线是否完整无损;
③ 检查随机配件的种类、型号和数量等是否完整齐全;以上检查如与购买合同描述不符,请直接联系本公司销售部门。
2、须知二:连接电源线
① 确认本仪器的电源开关处于关闭状态。
② 确定电源电压处于本仪器的额定电压范围内之后,再将随机配发的电源线连接至仪器的电源输入口。
③ 仪器电源接口参数如图。

1、事项一:打开电源时的操作
① 正面的电源开关按键与仪器背部的船型开关共同构成电源双开关设计。
② 背部的船型开关没有闭合时,仪器没有带电,电源按键的指示灯不亮,仪器没有带电。
③ 背部的船型开关闭合后,仪器上电,电源按键指示灯显示红色,仪器处于待机状态。此时按下电源开关键,仪器启动,电源按键指示灯为绿色,仪器进入运行状态。
④ 仪器运行时,按电源开关键长达2秒,仪器停止运行,进入待机状态,数码管关闭同时电源按键指示灯变为红色。
2、事项二:进行精确测量时的注意事项
① 打开电源开关,让仪器预热30分钟以上。
② 预热结束后,请进行调零。
3、事项三:关闭电源时的操作
① 仪器使用完毕,需要关闭时,请先关闭电源开关,再关闭船型开关。待仪器处于完全不带电状态时,视为正常关闭。
② 仪器异常断电关机,再次通电仪器自启动。请尽量使用正常关机流程关闭设备,如发生异常关机,请等待2S以上再次通电启动仪器。
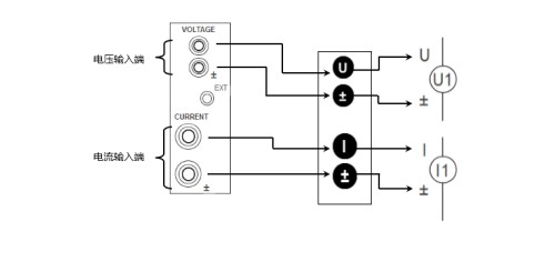
1、概述:将来自测量回路的测量用电缆直接连接到电压或电流输入端子
① 连接电压输入端子
端子为φ4mm的安全香蕉插座,将安全接头(导线未裸露)插入电压输入端子。
② 连接电流输入端子
将测量回路的电压引入电流输入端子时,请勿碰触电流传感器输入接口。因为这些端口内部在电气上是相通的,所以很危险。
2、注意
① 连接时,请确认电流输入端子和压接端子的接触面上不存在异物。
② 定期检查电流输入端子的旋钮是否松脱,电流输入端子和压接端子的接触面上是否存在异物。

3、连接方式一:单相两线制(1P2W),直接输入的接线示例。

4、连接方式二:单相三线制(1P3W),直接输入的接线示例。

5、连接方式三:三相三线制(3P3W),直接输入的接线示例。

6、连接方式四:三相三线(三电压三电流)制3P3W(3V3A),直接输入的接线示例。

7、连接方式五:三相四线(3P4W),直接输入的接线示例。

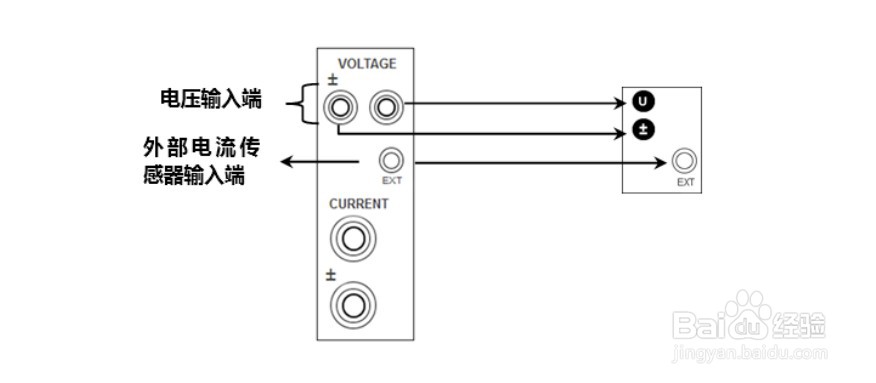
1、概述:当测量回路的最大电流超过输入单元的最大量程时,可以将外部电流传感器连接到电流传感器输入接口来测量电流。数字功率计的输入单元,电压输入端子和外部电流传感器输入连接器的简化连接方式如图。

2、电流传感器连接方式
将分流电流传感器连接到电源地。如果必须将传感器连接到非接地端,请在传感器和仪器之间使用带导电层的导线,以减小共模电压的影响。连接外部电流传感器电缆时要注意用电安全。

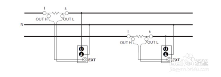
3、方式一:分流式电流传感器连接
当被测电路未接地,信号频率高或功率大时,分流式电流传感器电缆的电感的影响变大。在这种情况下,使用隔离传感(CT,DC-CT或钳式)来执行测量。

4、方式二:电压输出型钳式电流传感器连接

5、方式三:单相三线制(1P3W),使用分流型电流传感器的接线

6、方式四:三相三线制(3P3W),使用分流型电流传感器的接线

7、方式五:三相三线(三电压三电流)制3P3W(3V3A),使用分流型电流传感器的接线

8、方式六:三相四线(3P4W),使用分流型电流传感器的接线

9、电压、电流互感器(VT/CT)连接方式
概述:当电流超量程后,可接入电流输出型传感器或CT(电流互感器),以扩大量程,通过传感器接入时需接到电流输入端。
当电压超量程后,可接入电压传感器或VT(电压互感器)以扩大量程,通过传感器接入时需接到电压输入端。
10、方式一:单相两线制(1P2W),使用互感器(VT/CT)的接线

11、方式二:单相三线制(1P3W),使用互感器(VT/CT)的接线

12、方式三:三相三线制(3P3W),使用互感器(VT/CT)的接线

13、方式四:三相三线(三电压三电流)制3P3W(3V3A),使用互感器(VT/CT)的接线

14、方式五:三相四线(3P4W),使用互感器(VT/CT)的接线
